ZW32-12 DEEP FUSION OUTDOOR HIGH VOLTAGE VACUUM CIRCUIT BREAKER SERIES(CAPACITIVE POWER TAKING) can be matched with box-type cover type low-power distribution terminal to meet a variety of user demand modes.
The switch body can output up to power supply side voltage signal, load side voltage signal, zero sequence voltage signal (8u), current signal and zero sequence current signal (4i) according to the requirements of the distribution network.
The accuracy of voltage and current sensor can meet the requirements of line measurement.

ZW32-12(G) Outdoor High-Voltage AC Vacuum Circuit Breaker Catalog
Product overview of ZW32-12 DEEP FUSION OUTDOOR HIGH VOLTAGE VACUUM CIRCUIT BREAKER SERIES(CAPACITIVE POWER TAKING)
Three-phase AC 50Hz outdoor high-voltage switchgear, used in the 10kV electrical power systems of rural power grid and urban power grid for opening and closing load current, overload current, and short circuit current, and in other similar applications.
- Available standards
GB/T 1984-2014 High-voltage alternating-current circuit-breakers - GB/T 11022-2011 Common specifications for high-voltage switchgear and controlgear standards
- DL/T 402-2016 High-voltage alternating-current circuit-breakers

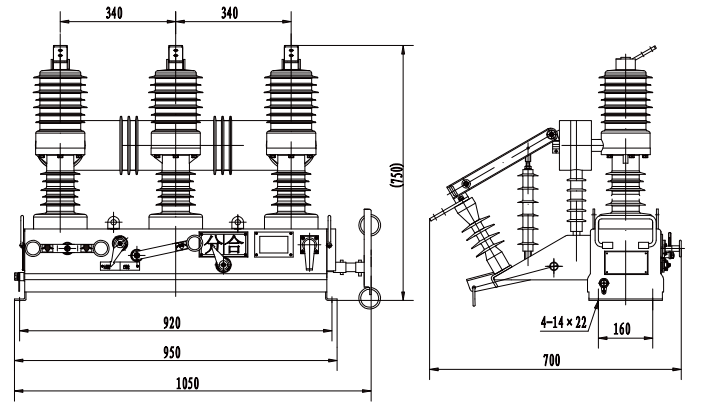
ZW32-12G circuit breaker outline (intelligent type)
Product parameters of ZW32-12 DEEP FUSION OUTDOOR HIGH VOLTAGE VACUUM CIRCUIT BREAKER SERIES(CAPACITIVE POWER TAKING)
| No. | Parameter Name | Unit | Value | |||
| 1 | Rated voltage | kV | 12 | |||
| 2 | Rated current | A | 630, 1250 | |||
| 3 | Rated frequency | Hz | 50 | |||
| 4 | Rated insulation level | Power frequency withstand voltage for 1 minute | Dry test | kV | Phases-phase voltage, Voltage to ground: 42
Break voltage: 48 |
|
| Wet test | 34 | |||||
| Lightning impulse withstand voltage (peak) | Phases-phase voltage, Voltage to the ground: 75
Break voltage: 85 |
|||||
| 5 | Rated circuit-breaker breaking current | kA | 20 | 25 | ||
| 6 | Rated short-circuit making current (peak) | kA | 50 | 63 | ||
| 7 | Rated peak withstand current | kA | 50 | 63 | ||
| 8 | 4s thermal stability current | kA | 20 | 25 | ||
| 9 | Rated operating sequence | O-0.3s-CO-180s-CO | ||||
| 10 | Closing time | ms | ≤50 | |||
| 11 | Opening time | ≤50 | ||||
| 12 | Rated short-circuit breaking current ON/OFF times | Times | 30 | |||
| 13 | Mechanical life | 10000 | ||||
| 14 | Control circuit and auxiliary circuit, power frequency withstand voltage for 1 minute | V | 2000 | |||
| 15 | Rated operating voltage and auxiliary voltage | AC/DC220、 DC110/48/24 | ||||
| 16 | Rated current of overcurrent trip coil | A | 5 | |||
| 17 | Allowable wear thickness of dynamic and static contacts in arc extinguish chamber | mm | 3 | |||

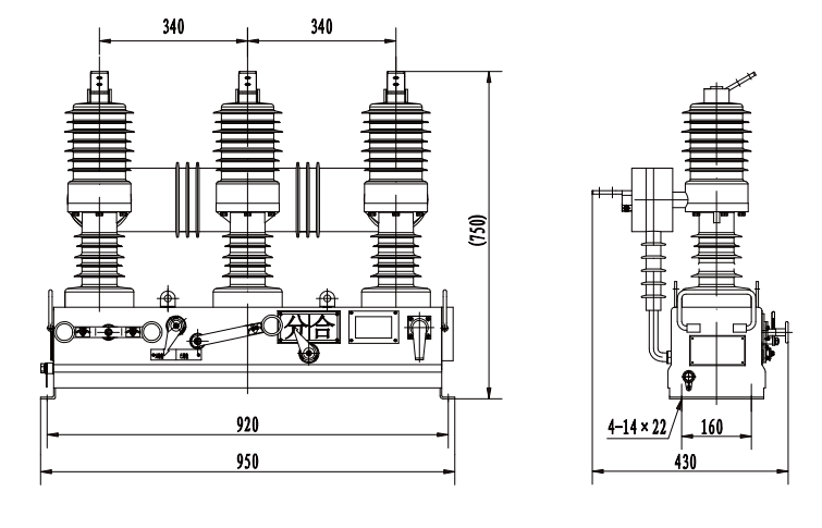
ZW32-12 circuit breaker outline (intelligent type)
What’s the working environment conditions of ZW32-12 DEEP FUSION OUTDOOR HIGH VOLTAGE VACUUM CIRCUIT BREAKER SERIES(CAPACITIVE POWER TAKING)?
- ·Ambient air temperature: Max. temperature: +45℃; Min. temperature: -40℃; Max. daily temperature difference: 25K;
- ·Relative humidity: Daily mean is not greater than 95%, and monthly mean is not greater than 90%;
- ·Altitude: Not higher than 2000m;
- ·Wind: Not exceed 35m/s (equivalent to air pressure 700Pa);
- ·Pollution grade: Grade IV;
- ·Radial thickness of ice: 10mm;
- ·Earthquake resistance: horizontal acceleration: 0.3g/s2; vertical acceleration: 0.2g/s2;
- ·Installed in places free of fire, explosion, chemical corrosion and frequent severe vibration.
- ·Please contact the manufacturer for customizing those failed to follow the normal working conditions.

ZW32F-12 circuit breaker installation diagram (intelligent cover-type)
What’s the technical features of ZW32-12 DEEP FUSION OUTDOOR HIGH VOLTAGE VACUUM CIRCUIT BREAKER SERIES(CAPACITIVE POWER TAKING)?
- ·ZW32-12 DEEP FUSION OUTDOOR HIGH VOLTAGE VACUUM CIRCUIT BREAKER SERIES(CAPACITIVE POWER TAKING) mainly consists of three-phase pole, spring operating mechanism, drive system, conducting loop, control unit and housing (made of ordinary carbon steel spray or stainless steel). The overall structure is of the three-phase pole type with miniaturization design, full-closed structure and good sealing property, especially suitable for cold and wet areas;
- ·The efficient and reliable spring operating mechanism (manual or electric; with manual functions or neardistance remote control for the electric type), featuring with low-power energy-storage motor and low opening and closing energy consumption. The operating mechanism is sealed in the box to effectively prevent rust to parts, guaranteeing the reliable action of mechanism;
- ·The pole is made of imported epoxy resin and coated with silicone rubber featuring with high temperature, low temperature, ultraviolet ray and aging resistance;
·An external two-phase or three-phase protective current transformer is provided to realize overcurrent protection and fault current quick-break protection together with inrush current, and the protection delay time can be adjustable; - ·The interphase protection CT and zero-sequence CT integrated structure can be configured to realize parameter setting, single-phase grounding protection, three-section protection, reclosing, and fault accident memory together with the intelligent controller (the external power supply PT is used to supply the operating power); the controller has the corresponding communication module with data uploading to master station, fault feedback and “four-remote” functions to form an intelligent circuit breaker achieving distribution network automation;
- ·The circuit breaker can be equipped with an isolating knife switch (at single or dual sides) with threephase linkage to form an obvious isolating distance at the incoming (outgoing) side; a reliable mechanical anti-misoperation interlock is provided between the main switch and the isolating switch to guarantee safe and reliable operation.

ZW32F-12 circuit breaker installation diagram (intelligent box-type)